电动机主体外壳防护等级为IP44或IP55,接线盒为IP55。
冷却方式:IC411 频率:50Hz
安装型式:IMB3 1MB5
额定电压:380V,660V、380V/660V、660/1140V.
工作方式:连续(S1)
电动机机座号与转速、功率的对应关系见表1
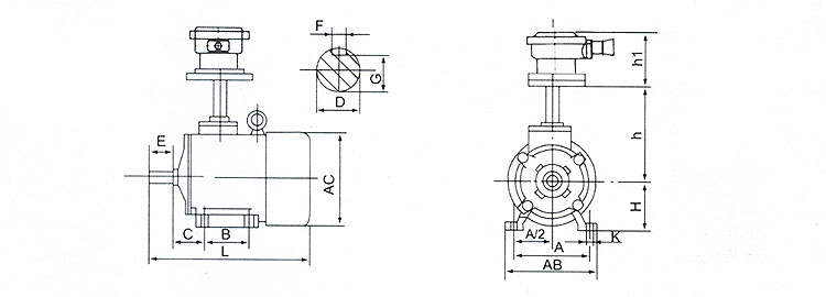
电动机外型及安装尺寸见表2表3
|
机座型号
Framesize |
同步转速 Symchronous speed r/min
|
|||
|
3000
|
1500
|
1000
|
750
|
|
|
功率 Power kW
|
||||
|
801
|
0.75
|
0.55
|
0.37
|
0.18
|
|
802
|
1.1
|
0.75
|
0.55
|
0.25
|
|
90S
|
1.5
|
1.1
|
0.75
|
0.37
|
|
90L
|
2.2
|
1.5
|
1.1
|
0.55
|
|
100L1
|
3
|
2.2
|
1.5
|
0.75
|
|
100L2
|
3
|
1.1
|
||
|
112M
|
4
|
4
|
2.2
|
1.5
|
|
132S1
|
5.5
|
5.5
|
3
|
2.2
|
|
132S2
|
7.5
|
|||
|
132M1
|
|
7.5
|
4
|
3
|
|
132M2
|
5.5
|
|||
|
160M1
|
11
|
11
|
7.5
|
4
|
|
160M2
|
15
|
5.5
|
||
|
160L
|
18.5
|
15
|
11
|
7.5
|
|
180M
|
22
|
18.5
|
-
|
-
|
|
180L
|
-
|
22
|
15
|
11
|
|
200L1
|
30
|
30
|
18.5
|
15
|
|
200L2
|
37
|
22
|
||
|
225S
|
-
|
37
|
-
|
18.5
|
|
225M
|
45
|
45
|
30
|
22
|
|
250M
|
55
|
55
|
37
|
30
|
|
280S
|
75
|
75
|
45
|
37
|
|
280M
|
90
|
90
|
55
|
45
|
|
315S
|
110
|
110
|
75
|
55
|
|
315M
|
132
|
132
|
90
|
75
|
|
315L1
|
160
|
160
|
110
|
90
|
|
315L2
|
200
|
200
|
132
|
110
|
|
355S1
|
185
|
185
|
160
|
132
|
|
355S2
|
200
|
200
|
||
|
355M1
|
220
|
220
|
185
|
160
|
|
355M2
|
250
|
250
|
200
|
|
|
315L1
|
280
|
280
|
220
|
185
|
|
315L2
|
315
|
315
|
250
|
200
|

|
机座号 |
极数 |
安装尺寸cMounting Dimfensions |
外形尺寸 Oxerall Dimensions |
|||||||||||||
|
A |
B |
C |
D |
E |
F |
G |
H |
K |
进出口管螺纹 |
AB |
AC |
h |
h1 |
L |
||
|
80 |
2,4,6,8 |
125 |
100 |
50 |
19 |
40 |
6 |
15.5 |
80 |
10 |
M30×2 |
165 |
165 |
280 |
185 |
330 |
|
90S |
140 |
56 |
24 |
50 |
8 |
20 |
90 |
180 |
180 |
320 |
360 |
|||||
|
90L |
125 |
360 |
385 |
|||||||||||||
|
100L |
160 |
140 |
63 |
28 |
60 |
24 |
100 |
12 |
200 |
205 |
420 |
440 |
||||
|
112M |
190 |
70 |
112 |
245 |
230 |
480 |
460 |
|||||||||
|
132S |
2,4,6,8 |
216 |
140 |
89 |
38 |
80 |
10 |
33 |
132 |
12 |
M36×2 |
280 |
270 |
530 |
510 |
|
|
132M |
178 |
590 |
210 |
550 |
||||||||||||
|
160M |
254 |
210 |
108 |
42 |
110 |
12 |
37 |
160 |
15 |
330 |
325 |
710 |
655 |
|||
|
160L |
254 |
770 |
695 |
|||||||||||||
|
180M |
279 |
241 |
121 |
48 |
14 |
42.5 |
180 |
355 |
360 |
810 |
730 |
|||||
|
180L |
279 |
910 |
750 |
|||||||||||||
|
200L |
318 |
305 |
133 |
55 |
110 |
16 |
49 |
200 |
19 |
M48×2 |
390 |
400 |
985 |
805 |
||
|
225S |
4,8 |
356 |
286 |
149 |
60 |
140 |
18 |
53 |
225 |
435 |
450 |
1020 |
865 |
|||
|
225M |
2 |
311 |
55 |
110
|
16
|
49
|
1080 |
860 |
||||||||
|
4,6,8 |
60 |
140
|
18 |
53 |
1080 |
890 |
||||||||||
|
250M |
2 |
406 |
349 |
168 |
250 |
24 |
M64×2
|
490
|
500 |
1150 |
280 |
|
||||
|
4,6,8 |
65 |
58 |
945 |
|||||||||||||
|
280S |
2 |
457 |
368 |
190 |
545
|
560 |
||||||||||
|
280 |
||||||||||||||||
|
4,6,8 |
75 |
20 |
67.5 |
1010 |
||||||||||||
|
280M |
2 |
419 |
65 |
18 |
58 |
1060 |
||||||||||
|
4,6,8 |
75 |
20 |
67.5 |
|||||||||||||
|
315S |
2 |
508 |
406 |
216 |
65 |
140 |
18 |
58 |
315 |
28 |
640 |
630 |
340 |
1250 |
||
|
2,4,6,8 |
80 |
170 |
22 |
71 |
1280 |
|||||||||||
|
315M |
2 |
457 |
65 |
140 |
18 |
58 |
1320 |
|||||||||
|
2,4,6,8 |
80 |
170 |
22 |
71 |
1350 |
|||||||||||
|
315L |
2 |
508 |
65 |
140 |
18 |
58 |
1410 |
|||||||||
|
2,4,6,8 |
80 |
170 |
22 |
71 |
1440 |
|||||||||||
|
| ||||||||||||||||
