1.概述
YBX3-80~355系列高效率隔爆型三相异步电动机是全封闭自扇冷鼠笼式隔爆型三相异步电动机,高效率、节能、温升裕度大,寿命长。性能好、振动小、隔爆结构先进。可靠性高,使用维护方便等特点。
本系列电动机的防爆性能符合GB3836.1《爆炸性环境 第1部分:设备 通用要求》和GB3836.2《爆炸性环境 第2部分:由隔爆型外壳"d"保护的设备》规定分别制成隔爆型ExdlMb、ExdllAT4Gb、ExdllBT4Gb,适用于煤矿井下非采掘工作面及工厂具有IIA、IIB级温度组别T1-T4组的爆炸性气体混合物存在的危险场所。YBX3-80~355系列高效率隔爆型三相异步电动机主体外壳防护等级为IP55,本系列电机冷却方式为IC411。
本系列电动机的防爆性能符合GB3836.1《爆炸性环境 第1部分:设备 通用要求》和GB3836.2《爆炸性环境 第2部分:由隔爆型外壳"d"保护的设备》规定分别制成隔爆型ExdlMb、ExdllAT4Gb、ExdllBT4Gb,适用于煤矿井下非采掘工作面及工厂具有IIA、IIB级温度组别T1-T4组的爆炸性气体混合物存在的危险场所。YBX3-80~355系列高效率隔爆型三相异步电动机主体外壳防护等级为IP55,本系列电机冷却方式为IC411。
2.技术数据
2.1技术条件:
环境温度:随季节而变化,但不场超过40℃
电压:220V、380V、660V、220/380V、380/660V
海拔:不超过1000m
工作方式:连续(S1)
频率:50HZ
环境温度:随季节而变化,但不场超过40℃
电压:220V、380V、660V、220/380V、380/660V
海拔:不超过1000m
工作方式:连续(S1)
频率:50HZ




3.安装结构形式
3.1安装结构形式(1M)
本系列电动机的安装方式符合GB997《电机结构安装型式代号》及IEC34-7的规定。
本系列电动机有三种基本结构形式:
B3-机座带底脚,端盖无凸缘。
B5-机座不带底脚,端盖有凸缘。
B35-机座带底脚,端盖有凸缘。
本系列电动机在上述三种基本结构上,可派生如表2的共12种安装结构形式。
本系列电动机的安装方式符合GB997《电机结构安装型式代号》及IEC34-7的规定。
本系列电动机有三种基本结构形式:
B3-机座带底脚,端盖无凸缘。
B5-机座不带底脚,端盖有凸缘。
B35-机座带底脚,端盖有凸缘。
本系列电动机在上述三种基本结构上,可派生如表2的共12种安装结构形式。

4.接线盒的钢管布线出线口螺纹按表3制造。

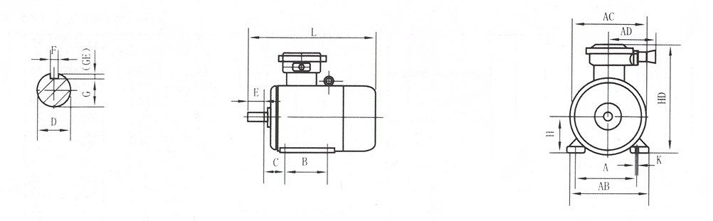
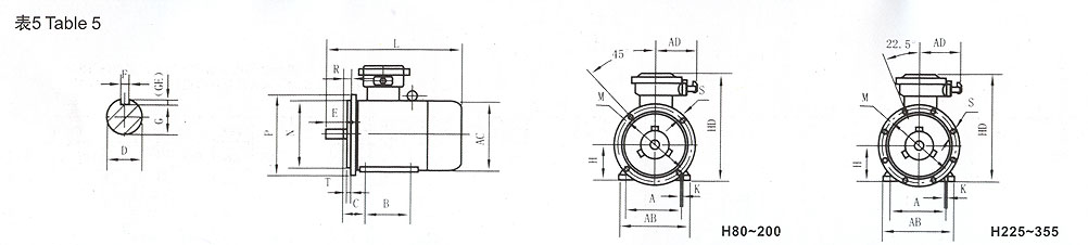
5.安装尺寸及外型尺寸见表4、5、6.
6.订货须知
6.1订货时请注明电动机型号、额定功率、同步转速、电压、频率、防爆标志。接线盒进线方式、结构安装型式、旋转方向、防护等级、使用环境条件。
6.2如果有特殊要求,如需装设定子测温装置,加装加热器,轴承测温装置等,请在合同中详细注明或签技术协议。
6.3样本中规定的技术数据及安装尺寸仅供用户订货时参考。
6.1订货时请注明电动机型号、额定功率、同步转速、电压、频率、防爆标志。接线盒进线方式、结构安装型式、旋转方向、防护等级、使用环境条件。
6.2如果有特殊要求,如需装设定子测温装置,加装加热器,轴承测温装置等,请在合同中详细注明或签技术协议。
6.3样本中规定的技术数据及安装尺寸仅供用户订货时参考。

|
||||||||||||||||||||||||||
|
机
座 号 |
极
数 |
安装尺寸及公差
|
外形尺寸
|
|||||||||||||||||||||||
|
A
|
B
|
C
|
D
|
E
|
F
|
G
|
H
|
K
|
进线口
管螺纹 |
AB
|
AC
|
AD
|
HD
|
L
|
||||||||||||
|
基本
尺寸 |
极限
偏差 |
基本
尺寸 |
极限
偏差 |
基本
尺寸 |
极限
偏差 |
基本
尺寸 |
极限
偏差 |
基本
尺寸 |
极限
偏差 |
基本
尺寸 |
极限
偏差 |
基本
尺寸 |
极限
偏差 |
位置度
公差 |
||||||||||||
|
80
|
2、4
6、8 |
125
|
100
|
50
|
±1.5
|
19
|
+0.009
-0.004 |
40
|
±0.3
|
6
|
0
-0.030 |
15.5
|
0
-0.10 |
80
|
0
-0.5 |
10
|
+0.36
0 |
ф1.0M
|
M30×2
|
165
|
165
|
180
|
320
|
330
|
||
|
90S
|
140
|
125
|
56
|
24
|
50
|
8
|
0
-0.035 |
20
|
0
-0.20 |
90
|
180
|
180
|
350
|
360
|
||||||||||||
|
90L
|
60
|
|
||||||||||||||||||||||||
|
100L
|
160
|
140
|
63
|
±2.0
|
28
|
24
|
100
|
12
|
+0.43
0 |
200
|
205
|
400
|
440
|
|||||||||||||
|
112M
|
190
|
70
|
112
|
245
|
230
|
200
|
420
|
460
|
||||||||||||||||||
|
132S
|
216
|
178
|
89
|
38
|
+0.018
-0.002 |
80
|
10
|
33
|
132
|
280
|
270
|
450
|
510
|
|||||||||||||
|
132M
|
550
|
|||||||||||||||||||||||||
|
160M
|
254
|
210
|
108
|
42
|
110
|
12
|
0
-0.043 |
37
|
160
|
15
|
ф1.5M
|
M36×2
|
330
|
325
|
220
|
520
|
730
|
|||||||||
|
160L
|
254
|
±3.0
|
750
|
|||||||||||||||||||||||
|
180M
|
279
|
241
|
121
|
48
|
14
|
42.5
|
180
|
355
|
360
|
550
|
730
|
|||||||||||||||
|
180L
|
279
|
750
|
||||||||||||||||||||||||
|
200L
|
318
|
305
|
133
|
55
|
+0.030
-0.011 |
16
|
49
|
200
|
19
|
+0.52
0 |
M48×2
|
390
|
400
|
250
|
645
|
805
|
||||||||||
|
225S
|
4、8
|
356
|
286
|
149
|
±4.0
|
60
|
140
|
±0.5
|
18
|
53
|
225
|
865
|
||||||||||||||
|
225M
|
2
|
311
|
55
|
110
|
±0.3
|
16
|
49
|
435
|
450
|
690
|
860
|
|||||||||||||||
|
4、6
、8 |
60
|
140
|
±0.5
|
18
|
53
|
890
|
||||||||||||||||||||
|
250M
|
2
|
406
|
349
|
168
|
65
|
58
|
250
|
24
|
ф2.0M
|
M64×2
|
490
|
500
|
300
|
720
|
945
|
|||||||||||
|
4、6
、8 |
||||||||||||||||||||||||||
|
280S
|
2
|
457
|
368
|
190
|
75
|
20
|
0
-0.052 |
67.5
|
280
|
0
-1.0 |
||||||||||||||||
|
4、6
、8 |
||||||||||||||||||||||||||
|
280M
|
2
|
419
|
65
|
18
|
0
-0.043 |
58
|
790
|
1010
|
||||||||||||||||||
|
4、6
、8 |
75
|
20
|
0
-0.52 |
67.5
|
||||||||||||||||||||||
|
315S
|
2
|
508
|
406
|
216
|
65
|
18
|
0
-0.043 |
58
|
315
|
28
|
545
|
560
|
||||||||||||||
|
4、6、
8、10 |
80
|
170
|
22
|
0
-0.052 |
71
|
|||||||||||||||||||||
|
315M
|
2
|
457
|
65
|
140
|
18
|
0
-0.043 |
58
|
1060
|
||||||||||||||||||
|
4、6、
8、10 |
80
|
170
|
22
|
0
-0.052 |
71
|
|||||||||||||||||||||
|
315L
|
2
|
508
|
65
|
140
|
18
|
0
-0.043 |
58
|
640
|
630
|
400
|
1020
|
1250
|
||||||||||||||
|
1280
|
||||||||||||||||||||||||||
|
80
|
170
|
22
|
0
-0.052 |
71
|
1320
|
|||||||||||||||||||||
|
4、6、
8、10 |
1350
|
|||||||||||||||||||||||||
|
355S
|
2
|
610
|
500
|
254
|
75
|
+0.030
-0.011 |
140
|
20
|
67.5
|
355
|
1410
|
|||||||||||||||
|
4、6、
8、10 |
95
|
-0.035
-0.013 |
170
|
25
|
86
|
1440
|
||||||||||||||||||||
|
355M
|
2
|
560
|
75
|
+0.039
-0.011 |
140
|
20
|
67.5
|
740
|
750
|
500
|
1080
|
1510
|
||||||||||||||
|
1540
|
||||||||||||||||||||||||||
|
1570
|
||||||||||||||||||||||||||
|
4、6、
8、10 |
95
|
+0.035
-0.013 |
170
|
25
|
86
|
1600
|
||||||||||||||||||||
|
355L
|
2
|
630
|
75
|
+0.030
-0.011 |
140
|
20
|
67.5
|
1690
|
||||||||||||||||||
|
4、6、
8、10 |
95
|
170
|
25
|
86
|
1720
|
|||||||||||||||||||||




